设 | 设计制作规范 | GB/T15700. GB/T12777 | 性 | 压力等级 | PN0.6~PN1.6MPa |
结构长度 | GB/T12777 | 强度试验 | 1.5倍 | ||
连接尺寸 | HG/T20592.GB/T9113 | 密封试验 | 1.1倍 | ||
检验及试验 | GB/T12777 | 气密试验 | 0.6Mpa |

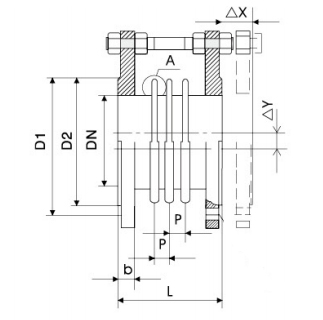
公称通径 | 标准长度 | 波距 | 壁厚 | 安全位移量 | 法兰尺寸 | |||||||
DN (mm) | NPS (inch) | 3波L | P | 钢b1 | 钢b2 | ±△X | ±△Y | D | D1 | D2 | b | Z-Фd |
|
| PN0.6/1.0 (MPa) | ||||||||||
40 | 11/2 | 84 | 10 | 0.5 | 1 | 40 | 10 | 130 | 100 | 80 | 16 | 4-Ф14 |
50 | 2 | 86 | 10 | 0.5 | 1 | 40 | 10 | 140 | 110 | 90 | 16 | 4-Ф14 |
65 | 21/2 | 114 | 12 | 0.7 | 1 | 40 | 10 | 160 | 130 | 110 | 16 | 4-Ф14 |
80 | 3 | 124 | 15 | 0.7 | 1 | 40 | 10 | 185 | 150 | 125 | 18 | 4-Ф18 |
100 | 4 | 129 | 19 | 0.7 | 1.5 | 40 | 10 | 205 | 170 | 145 | 18 | 4-Ф18 |
125 | 5 | 133 | 20 | 0.8 | 1.5 | 40 | 10 | 235 | 200 | 175 | 20 | 8-Ф18 |
150 | 6 | 155 | 23 | 0.8 | 1.5 | 40 | 10 | 260 | 225 | 200 | 20 | 8-Ф18 |
200 | 8 | 168 | 24 | 0.8 | 1.5 | 40 | 10 | 315 | 280 | 255 | 22 | 8-Ф18 |
250 | 10 | 170 | 28 | 1.0 | 1.5 | 40 | 10 | 370 | 335 | 310 | 24 | 12-Ф18 |
300 | 12 | 180 | 30 | 1.0 | 1.5 | 40 | 10 | 435 | 395 | 362 | 24 | 12-Ф22 |
350 | 14 | 186 | 32 | 1.0 | 2 | 40 | 10 | 485 | 445 | 412 | 26 | 12-Ф22 |
400 | 16 | 188 | 35 | 1.2 | 2 | 40 | 10 | 535 | 495 | 462 | 28 | 16-Ф22 |
450 | 18 | 219 | 40 | 1.2 | 2 | 40 | 10 | 590 | 550 | 518 | 28 | 16-Ф22 |
500 | 20 | 238 | 41 | 1.2 | 2 | 40 | 10 | 640 | 600 | 568 | 30 | 20-Ф22 |
600 | 24 | 172 | 45 | 1.2 | 2 | 40 | 10 | 755 | 705 | 670 | 30 | 20-Ф26 |
700 | 28 | 316 | 62 | 1.2 | 2 | 40 | 10 | 860 | 810 | 775 | 32 | 24-Ф26 |
800 | 32 | 322 | 63 | 1.2 | 2 | 40 | 10 | 975 | 920 | 880 | 34 | 24-Ф30 |