技术规范 | |
| 设计标准 | GB12240 |
结构长度 | GB12221 |
法兰标准 | JB/T79-94 GB9113.1-26 |
检验试验 | JB/T13927 |
驱动方式 | 锅轮Worm、手动Manual、 |
| 零件名称 | 材料 |
阀体 | 铸钢Cast steel、不锈钢Stainless steel、 |
塞子 | 铸铁Cast iron、铸钢Cast steel、 |
阀盖 | 铸铁Cast iron、铸钢Cast steel、 |
填料 Filler | PTFE(F4)聚四氟乙烤 |

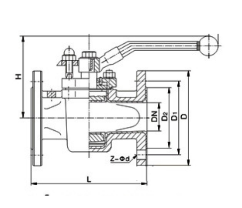
公称通径 | L | D | D1 | D2 | N-Фd | H |
50 | 170 | 160 | 125 | 100 | 4-Ф18 | 315 |
65 | 220 | 180 | 145 | 120 | 8-Ф18 | 360 |
80 | 250 | 195 | 160 | 135 | 8-Ф18 | 455 |
100 | 300 | 215 | 180 | 155 | 8-Ф18 | 500 |
125 | 350 | 350 | 210 | 185 | 8-Ф18 | 510 |
150 | 400 | 400 | 240 | 210 | 8-Ф22 | 605 |
200 | 450 | 450 | 295 | 265 | 12-Ф22 | 760 |
250 | 530 | 530 | 350 | 320 | 12-Ф26 | 800 |
300 | 580 | 580 | 400 | 368 | 12-Ф26 | 820 |