
设 | 设计制作规范 | HG/T3704. HG/T21637 | 性 | 压力等级 | PN0.6~PN1.6MPa |
结构长度 | GB/T12221. HG/T3704 | 强度试验 | 1.5倍 | ||
连接尺寸 | HG/T20592.GB/T9113 | 密封试验 | 1.1倍 | ||
检验及试验 | GB/T13927 | 气密试验 | 0.6Mpa |
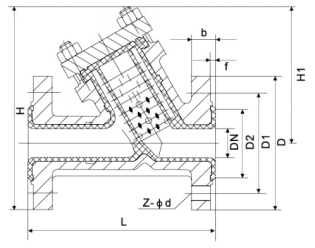
公称通径 | 标准值 | 参考值 | |||||||||
DN (mm) | NPS (inch) | L | D | D1 | D2 | f | b | N-Фd | H1 | H2 | W(Kg) |
PN1.0-1.6(Mpa) | |||||||||||
20 | 3/4 | 150 | 105 | 75 | 58 | 2 | 18 | 4-Ф14 | 70 | 122 | 5 |
25 | 1 | 160 | 115 | 85 | 68 | 2 | 18 | 4-Ф14 | 78 | 135 | 6 |
32 | 11/4 | 180 | 140 | 100 | 78 | 2 | 18 | 4-Ф18 | 86 | 154 | 8 |
40 | 11/2 | 200 | 150 | 110 | 88 | 2 | 18 | 4-Ф18 | 92 | 164 | 10 |
50 | 2 | 230 | 165 | 125 | 102 | 2 | 18 | 4-Ф18 | 102 | 182 | 17.6 |
65 | 21/2 | 290 | 185 | 145 | 122 | 2 | 18 | 4-Ф18 | 115 | 205 | 21.9 |
80 | 3 | 310 | 200 | 160 | 138 | 2 | 20 | 8-Ф18 | 135 | 232 | 28.52 |
100 | 4 | 350 | 220 | 180 | 158 | 2 | 20 | 8-Ф18 | 156 | 263 | 40.36 |
125 | 5 | 400 | 250 | 210 | 188 | 2 | 22 | 8-Ф18 | 248 | 370 | 56.8 |
150 | 6 | 480 | 285 | 240 | 212 | 2 | 22 | 8-Ф22 | 285 | 425 | 112.9 |
200 | 8 | 600 | 340 | 295 | 268 | 2 | 24 | 12-Ф22 | 362 | 530 | 100 |