设计与制造 | GB/T12238(中线) |
结构长度 | G812221(短系列) |
法兰尺寸 | HG20592-97 ANSI B16.5a |
链接尺寸 | 对夹、法兰式 |
驱动方式 | 手动、电动、气动Hand、 |
公称压力 | 0.6、1.0、1.6、2.5MPa |
压力试验 | GB/T13927-92 Ap1598 |
手 动 | D71F4/P(半衬) | 涡 轮 | D371F4/P(半衬) |
| D71F46/P(半衬) | D371F46/P(半衬) | ||
| D71F4全衬 | D371F4全衬 | ||
| D71F46全衬 | D371F46全衬 | ||
气 动 | D671F4/P(半衬) | 电 动 | D971F4/P(半衬) |
| D671F46/P(半衬) | D971F46/P(半衬) | ||
| D671F4全衬 | D971F4全衬 | ||
| D71F64全衬 | D971F46全衬 |

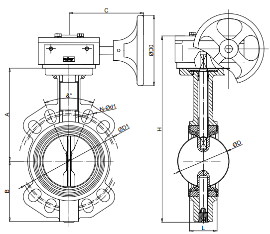
Size | PN10 | PN16 | A | B | C | ФD | H | L | ФDO | |||||
DN | NPS | D1 | N-Фd | &° | D1 | N-Фd | &° | |||||||
32 | 11/4 | 100 | 4-Ф18 | 90 | 100 | 4-Ф18 | 90 | 110 | 64 | 99 | 34.6 | 222 | 33 | 120 |
40 | 11/2 | 110 | 4-Ф18 | 90 | 110 | 4-Ф18 | 90 | 120 | 70 | 99 | 43 | 238 | 33 | 120 |
50 | 2 | 125 | 4-Ф18 | 90 | 125 | 4-Ф18 | 90 | 140 | 80 | 99 | 52.9 | 268 | 42 | 120 |
65 | 21/2 | 145 | 8-Ф18 | 90 | 145 | 8-Ф18 | 90 | 150 | 89 | 99 | 64.5 | 287 | 45 | 120 |
80 | 3 | 160 | 8-Ф18 | 90 | 160 | 8-Ф18 | 45 | 158 | 95 | 99 | 78.8 | 301 | 46 | 120 |
100 | 4 | 180 | 8-Ф18 | 45 | 180 | 8-Ф18 | 45 | 176 | 114 | 115 | 104 | 338 | 52 | 120 |
125 | 5 | 210 | 8-Ф18 | 45 | 210 | 8-Ф18 | 45 | 190 | 127 | 115 | 123.3 | 371 | 55 | 200 |
150 | 6 | 240 | 8-Ф22 | 45 | 240 | 8-Ф22 | 45 | 211 | 139 | 220 | 155.1 | 404 | 56 | 200 |
200 | 8 | 295 | 8-Ф22 | 45 | 295 | 12-Ф22 | 30 | 235 | 175 | 220 | 202.5 | 481 | 61 | 300 |
250 | 10 | 350 | 12-Ф22 | 30 | 355 | 12-Ф26 | 30 | 265 | 203 | 220 | 250.5 | 539 | 66 | 300 |
300 | 12 | 400 | 12-Ф22 | 30 | 410 | 12-Ф26 | 30 | 305 | 242 | 323 | 301.5 | 627 | 77 | 400 |