您现在所在位置:首页 > 产品中心 > 管道配件系列 > 衬氟偏心异径管
衬氟偏心异径管
134-5173-9957
服务热线
产品简介

※ 产品名称:衬氟偏心异径管
※ 法兰标准:HG/T 20592
※ 公称压力:PN6 PN10 PN16 CL150
※ 衬里标准:HG /T 20538-2016
※ 衬里材质:PTFE、PO
※ 非标件可依据图纸进行特殊加工
一、产品概述

偏心大小头主要是解决管道在连接时不同口径的问题。偏心大小头在水泵中的安装主要是用来防腐蚀的,并且在泵进出口的大小头一般要顶平安装,以防止管道内气相在泵口聚集,形成大气泡进入泵腔损坏泵。只在一种情况下才可以底平安装,那就是大小头后面直接接向上弯曲的弯头,在这种情况下气相不可能聚集。偏心大小头在工作时还可以降低管道的噪音。
衬氟管件、管道经过多年来的实际使用,直接影响其使用寿命和性能稳定的因素是温度、压力、介质等。优质的材料和先进制造工艺方法是聚四氟乙烯衬里产品的质量保证。选用好的聚四氟乙烯树脂经合理配方,采用整体模压,将氟塑料与钢管基体热熔结合。使整个衬氟管件具有以下特点:
1、使用温度高:在强腐蚀介质条件下,可以满足使用温度范围-60℃~200℃,在此温度范围内(除了熔融碱金属、元素氟及芳香烃类外),可满足所有化学介质。
2、耐真空:在-60℃~150℃范围内,可在真空条件下使用,在化工生产中,经常由于冷却、纵向排放、泵阀不同步操作等情况下引起局部真空状态。
3、耐高压:在温度使用范围内,可承受高达3Mpa的使用压力。
4、抗渗透:选用优质的树脂,经过先进衬里工艺加工成高密度、足够厚度的PTFE衬里层,使产品具有优越的抗渗透性。
5、整体模压烧结工艺衬里,解决了钢衬氟冷热伸缩的难题,使其达到同步伸缩。
6、采用了标准化尺寸配制,特别是化工管线中使用的管道、管配件都具有很强的互换性,为安装、备件提供了很大的方便。
二、 内衬PTFE衬里层试验、检验
1、 管道及管配件均以1.5倍设计压力进行水压试验
2、 凡涉及内衬PTFE衬里层经水压试验后,100%地进行完好性检验,其泄漏点检验方法采用电火花测试.
三、使用前维护及注意事项:
1、 不得露天长时间存放、避免日晒、雨淋、避免剧烈撞、多层堆放重物堆压。
2、 密封面不允许刮、割、划、挠或与硬物碰撞。
3、 不允许在衬里后的管件、配件的钢体上焊、风割、火烤等,要与热源相隔1米以上。



产品参数

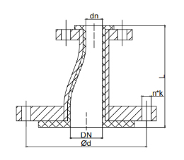
主要连接尺寸
衬氟偏心异径管
单位:mm

公称直径DN*dn

长度
L

法兰(DN))眼距Фd

螺孔n*k

0.6MPa

1.0MPa

1.6MPa

0.6MPa

1.0MPa

1.6MPa

25*15

120

75

85

85

4-Ф11

4-Ф14

4-Ф14

32*25

120

90

100

100

4-Ф14

4-Ф18

4-Ф18

40*32

120

100

110

110

4-Ф14

4-Ф18

4-Ф18

50*40

120

110

125

125

4-Ф14

4-Ф18

4-Ф18

65*50

120

130

145

145

4-Ф14

8-Ф18

8-Ф18

80*65

120

150

160

160

4-Ф18

8-Ф18

8-Ф18

100*80

150

170

180

180

4-Ф18

8-Ф18

8-Ф18

125*100

150

200

210

210

8-Ф18

8-Ф18

8-Ф18

150*125

150

225

240

240

8-Ф18

8-Ф22

8-Ф22

200*150

300

280

295

295

8-Ф18

8-Ф22

12-Ф22

250*200

300

335

350

355

12-Ф18

12-Ф22

12-Ф26

300*250

300

395

400

410

12-Ф22

12-Ф22

12-Ф26

350*300

300

445

460

470

12-Ф22

16-Ф22

16-Ф26

400*350

300

495

515

525

16-Ф22

16-Ф26

16-Ф30

联系方式
地址:苏州市相城区太平街道金瑞路5号
手机:134-5173-9957/137-7173-1865
电话:0512-6599 1358
传真:0512-6599 3982
Copyright © 2022 苏州贝利氟塑制品有限公司 All Rights Reserved. 备案号:苏ICP备2022028839号-1 技术支持:三飒网络
134-5173-9957