电动衬氟球阀由YX系列电动执行机构和衬氟球阀组成,由于该阀内腔及球体均采用高压注塑工艺,衬有耐腐蚀、耐老化的聚四氟乙丙烯(简称F46),故具有可靠的耐腐蚀性和密封性。
电动衬氟球阀执行机构能提供足够的转距,保证阀的可靠开、闭,并带有自动复位的离合器,失电时可自动复位。内置阀位反馈装置可实现阀位信号的传递和远程控制。
1、 耐腐蚀:阀体内腔及理体均包衬2.5-3mm厚的F46,能耐酸、碱,耐强腐蚀。
2、采用软密封阀座,密封性能好。
3、体积小,重量轻,结构简单,安装维修方便。
4、流阻小,流通能力
型 式: 直通两分式铸造球阀
公称通径: DN15~200mm
公称压力: PN1.0、1.6MPa (ANSI 150Lb)
连接形式: 法兰连接 JB/T79-94(ANSI16.5)
材 料: ZG230-450衬F46、ZG1Cr18Ni9Ti衬F46
上 阀 盖: 与阀体一起铸造
填 料: 聚四氟乙烯
介质温度:-20~+150℃
阀芯形式: 球型阀芯
流量特性: 快开特性
阀 座: 聚四氟乙烯
材 料: ZG230-450衬F46、ZG1Cr18Ni9TI衬F46
阀芯转角: 90°

| 项目类型 | JT-05 | JT-10 | JT-20 | JT-40 | JT-60 | JT-100 | JT-200 |
| 输出力矩 | 50N.M | 100 N.M | 200 N.M | 400 N.M | 600 N.M | 1000 N.M | 2000 N.M |
| 动作范围 | 0~90° | ||||||
| 额定电流 | 0.15A | 0.3A | 0.45A | 0.7A | 0.7A | 0.85A | 0.85A |
| 绝缘电阻 | 100M/DC500V | ||||||
| 电源 | AC110/220/380V DC24V | ||||||
| 电机功率 | 8W/E | 23 W/E | 45 W/E | 90 W/E | 90 W/E | 120 W/E | 120 W/E |
| 选配阀门 | 15-25 | 15-65 | 80-100 | 100-125 | 125-150 | 150-200 | 200-250 |
| 执行器重量 | 2.6Kg | 4.2 Kg | 7.9 Kg | 8.7 Kg | 9 Kg | 14.7 Kg | 15 Kg |


| 公称通径 | 标准值 | 参考值 | ||||||||
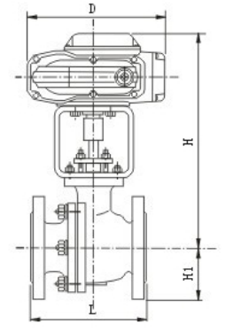
| DN(mm) | NPS(inch) | L | D | D1 | D2 | f | b | Z-¢d | L1 | H |
| PN1.6(MPa) | ||||||||||
| 15 | 44563 | 140/130 | 95 | 65 | 45 | 2 | 14 | 4-¢14 | 231 | 350 |
| 20 | 44624 | 140/130 | 105 | 75 | 55 | 2 | 16 | 4-¢14 | 231 | 370 |
| 25 | 1 | 150/1340 | 115 | 85 | 65 | 2 | 16 | 4-¢14 | 231 | 375 |
| 32 | 44869 | 165 | 135 | 100 | 78 | 2 | 18 | 4-¢18 | 231 | 385 |
| 40 | 44867 | 180/165 | 145 | 110 | 85 | 3 | 18 | 4-¢18 | 231 | 390 |
| 50 | 2 | 200/203 | 160 | 125 | 100 | 3 | 20 | 4-¢18 | 231 | 435 |
| 65 | 44613 | 220/222 | 180 | 145 | 120 | 3 | 20 | 4-¢18 | 261 | 460 |
| 80 | 3 | 250/241 | 195 | 160 | 135 | 3 | 22 | 4-¢18 | 261 | 465 |
| 100 | 4 | 280/305 | 215 | 180 | 155 | 3 | 24 | 8-¢18 | 285 | 612 |
| 125 | 5 | 320/356 | 245 | 210 | 185 | 3 | 26 | 8-¢18 | 285 | 625 |
| 150 | 6 | 360/394 | 280 | 240 | 210 | 3 | 28 | 8-¢23 | 325 | 700 |
| 200 | 8 | 457 | 335 | 295 | 265 | 3 | 30 | 8-¢23 | 325 | 740 |
注:以上尺寸仅供参考,具体尺寸以实物为主。
报价须知:
1、阀体参数:口径、工作压力、阀体材质、使用介质、连接形式等参数
2、执行器:执行器形式、控制方式、控制信号(4-20MA)
请尽量详细提供关于每标气动球阀的参数,方便我公司技术人员为您准确选型。