气动执行器是用气压力驱动启闭或调节阀门的执行装置,又被称气动执行机构或气动装置,不过一般通俗的称之为气动头。气动执行器有时还配备一定的辅助装置。常用的有阀门定位器和手轮机构。阀门定位器的作用是利用反馈原理来改善执行器的性能,使执行器能按控制器的控制信号,实现准确的定位。手轮机构的作用是当控制系统因停电、停气、控制器无输出或执行机构失灵时,利
用它可以直接操纵控制阀,以维持生产的正常进行。执行器按其能源形式分为气动,电动和液动三大类,它们各有特点,适用于不同的场合。


气动执行器是执行器中的一种类别。气动执行器还可以分为单作用和双作用两种类型:
1.执行器的开关动作都通过气源来驱动执行,叫DOUBLE ACTING (双作用)。
2.SPRING RETURN (单作用)的开关动作只有开动作是气源驱动,而关动作时弹簧复位.单作用气动执行器一般分为常开型和常闭型。
常开型:通气关,断气开;常闭型:通气开,断气关。
A.双作用执行器主要为气开气关式,即阀门无论是开启还是关闭都需要用到气源,通常表现为通气打开,通气关闭,失去气源,阀门保持在当时状态,气源重新连接上后,阀门才可继续工作。

B.单作用执行器则具有弹簧复位的功能,根据工况需要可选择常开式和常闭式,情况1::通气打开,失去气源时,自动复位到初始关闭状态。情况2:通气关闭,失去气源时,自动复位到初始打开状态。

C.双作用气动执行器一般用在对泄露要求不高的工况中,而单作用气动执行器则用于危险的工况中使用较多,可在失去气源货出现突发故障时,将阀门快速关闭或打开。在价格上,单作用气动执行器比双作用会高。

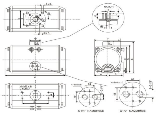
| 型号 | A | B | C | D | E | F | G | H | I | J | K | L | M | N | Z | Ф | 气源接口 |
| DA/SR-52 | 30 | 41.5 | 65.5 | 72 | 92 | 65 | 30 | 80 | Ф36 | Ф50 | M5x8 | M6x10 | 11 | 14 | 147 | Ф40 | NAMUR G1/4" |
| DA/SR-63 | 36 | 47 | 81 | 87.5 | 107.5 | 72 | 30 | 80 | Ф50 | Ф70 | M6x10 | M8x13 | 14 | 18 | 168 | Ф40 | NAMUR G1/4" |
| DA/SR-75 | 42 | 53 | 94 | 99.5 | 119.5 | 81 | 30 | 80 | Ф50 | Ф70 | M6x10 | M8x13 | 14 | 18 | 184 | Ф40 | NAMUR G1/4" |
| DA/SR-83 | 46 | 57 | 98.5 | 108.7 | 128.7 | 92 | 30 | 80 | Ф50 | Ф70 | M6x10 | M8x13 | 17 | 21 | 204 | Ф40 | NAMUR G1/4" |
| DA/SR-92 | 50 | 58.5 | 111 | 116.5 | 136.5 | 98 | 30 | 80 | Ф50 | Ф70 | M6x10 | M8x13 | 17 | 21 | 262 | Ф46 | NAMUR G1/4" |
| DA/SR-105 | 57.5 | 64 | 122.5 | 133 | 153 | 109.5 | 30 | 80 | Ф70 | Ф102 | M8x13 | M10x16 | 22 | 26 | 268 | Ф46 | NAMUR G1/4" |
| DA/SR-125 | 67.5 | 74.5 | 145.5 | 155 | 185 | 127.5 | 30 | 130 | Ф70 | Ф102 | M8x13 | M10x16 | 22 | 26 | 301 | Ф46 | NAMUR G1/4" |
| DA/SR-140 | 75 | 77 | 161 | 172 | 202 | 137.5 | 30 | 130 | Ф102 | Ф125 | M10x16 | M12x20 | 27 | 31 | 390 | Ф60 | NAMUR G1/4" |
| DA/SR-160 | 87 | 87 | 184 | 197 | 227 | 158 | 30 | 130 | Ф102 | Ф125 | M10x16 | M12x20 | 27 | 31 | 458 | Ф60 | NAMUR G1/4" |
| DA/SR-190 | 103 | 103 | 216 | 230 | 260 | 189 | 30 | 130 | Ф140 | M16x25 | 36 | 40 | 525 | Ф60 | NAMUR G1/4" | ||
| DA/SR-210 | 113 | 113 | 235.5 | 255 | 285 | 210 | 30 | 130 | Ф140 | M16x25 | 36 | 40 | 532 | Ф60 | NAMUR G1/4" | ||
| DA/SR-240 | 130 | 130 | 264.5 | 289 | 319 | 245 | 30 | 130 | Ф165 | M20x25 | 46 | 50 | 602 | Ф60 | NAMUR G1/4" | ||
| DA/SR-270 | 147 | 147 | 299 | 326 | 356 | 273 | 30 | 130 | Ф165 | M20x25 | 46 | 50 | 722 | Ф60 | NAMUR G1/4" (NAMUR G1/4") |
| 型号 | 输入气源压力(单位bar) | |||||
| 3 | 4 | 5 | 6 | 7 | 8 | |
| 气源输出扭矩(N.m) | ||||||
| DA32 | 4.6 | 6.1 | 7.6 | 9.2 | 10.7 | 12.2 |
| DA40 | 7.2 | 9.6 | 12 | 14.4 | 16.8 | 19.2 |
| DA52 | 12 | 16 | 20 | 24 | 28 | 32 |
| DA63 | 21.7 | 28.9 | 36 | 43.4 | 50.6 | 57.8 |
| DA75 | 30 | 40 | 50 | 60 | 70 | 80 |
| DA83 | 46.8 | 62.4 | 78 | 93.6 | 109.2 | 124.8 |
| DA92 | 67.6 | 90.1 | 112.6 | 135.2 | 157.7 | 180.2 |
| DA105 | 97.7 | 130.3 | 162.9 | 195.5 | 228 | 260.6 |
| DA125 | 150.5 | 200. 6 | 250.8 | 301 | 351.1 | 401.3 |
| DA140 | 260.7 | 347.6 | 433.8 | 521.4 | 608.3 | 695.2 |
| DA160 | 397.2 | 529.6 | 662 | 794.4 | 926.8 | 1059.2 |
| DA190 | 640 | 853 | 1067 | 1280 | 1493 | 1707 |
| DA210 | 798 | 1064 | 1330 | 1596 | 1862 | 2128 |
| DA240 | 1154 | 1539 | 1923 | 2308 | 2693 | 3078 |
| DA270 | 1755 | 2340 | 2924 | 3510 | 4095 | 4680 |
| DA300 | 2291 | 3055 | 3819 | 4582 | 5346 | 6110 |
| DA350 | 3426 | 4568 | 5710 | 6852 | 7994 | 9136 |
| DA400 | 4872 | 6496 | 8120 | 9744 | 11368 | 12992 |
报价须知:可选附件:电磁阀、限位开关、二联件
请尽量详细提供关于每标气动球阀的参数,方便我公司技术人员为您准确选型。