网站首页
荣誉资质
产品中心
合作案例
新闻中心
关于我们
技术服务
联系我们
English
网站首页
荣誉资质
产品中心
合作案例
新闻中心
关于我们
技术服务
联系我们
English
您现在所在位置:
首页
>
产品中心
>
电动气动系列
> 附件6-八角套/四氟套
产品中心
衬氟补偿器系列
衬氟阀门系列
衬氟过滤器系列
衬氟金属软管系列
衬氟取样阀系列
衬氟人孔系列
衬氟视镜系列
衬氟视盅系列
纯四氟制品系列
管道配件系列
内衬外包插入管系列
塔内件产品系列
碳钢衬氟喷淋管系列
电动气动系列
服务热线:
134-5173-9957
电动气动系列
附件6-八角套/四氟套
134-5173-9957
服务热线
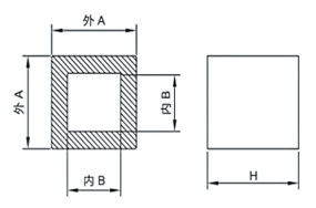
八角套参数:
四方套参数:
上一个:
附件6-AFC2000 L型支架
上一个:
附件6-电磁阀转接板
网站首页
资质荣誉
产品中心
合作案例
新闻中心
关于我们
技术服务
联系我们
友情链接:
贝利氟塑
|
苏州贝利氟塑制品有限公司
联系方式
地址:苏州市相城区太平街道金瑞路5号
手机:134-5173-9957/137-7173-1865
电话:0512-6599 1358
传真:0512-6599 3982
Copyright © 2022 苏州贝利氟塑制品有限公司 All Rights Reserved. 备案号:
苏ICP备2022028839号-1
技术支持:
三飒网络
134-5173-9957