
设 | 设计制作规范 | HG/T3704. GB/T12237 | 性 | 压力等级 | PN0.6~PN1.6MPa |
结构长度 | GB/T12221. HG/T3704 | 强度试验 | 1.5倍 | ||
连接尺寸 | HG/T20592.GB/T9113 | 密封试验 | 1.1倍 | ||
检验及试验 | GB/T13927. GB 12220 | 气密试验 | 0.6Mpa |
序号 | 零件名称 | 铸钢 |
1 | 左右阀体 | WCB |
2 | 带杆球体 | WCB |
3 | 填料 | WCB |
4 | 填料压盖 | WCB |
5 | 衬里层/阀座 | FEP(F46) PFA PP /PTFE |
6 | 螺栓 | A193-B7 |
7 | 螺帽 | A194-2H |
8 | 手柄 | WCC |
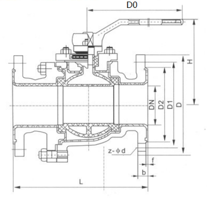
公称通径 | 标准值 | 参考值 | |||||||||
DN | NPS | L | D | D1 | D2 | f | b | N-Фd | Do | H | W(Kg) |
PN0.6(Mpa) | |||||||||||
15 | 1/2 | 140 | 80 | 55 | 40 | 3 | 14 | 4-Ф14 | 120 | 80 | 3 |
20 | 3/4 | 140 | 90 | 65 | 50 | 3 | 16 | 4-Ф14 | 140 | 90 | 4 |
25 | 1 | 150 | 100 | 75 | 60 | 3 | 16 | 4-Ф14 | 160 | 100 | 4.5 |
32 | 11/4 | 165 | 120 | 90 | 70 | 3 | 18 | 4-Ф18 | 160 | 110 | 6.5 |
40 | 11/2 | 180 | 130 | 100 | 80 | 3 | 18 | 4-Ф18 | 200 | 120 | 9.5 |
50 | 2 | 200 | 140 | 110 | 90 | 3 | 20 | 4-Ф18 | 250 | 135 | 10.5 |
65 | 21/2 | 220 | 160 | 130 | 110 | 3 | 20 | 4-Ф18 | 300 | 145 | 15.5 |
80 | 3 | 250 | 190 | 150 | 128 | 3 | 20 | 8-Ф18 | 350 | 180 | 20 |
100 | 4 | 280 | 210 | 170 | 148 | 3 | 22 | 8-Ф18 | 350 | 195 | 28 |
125 | 5 | 325 | 240 | 200 | 178 | 3 | 22 | 8-Ф18 | 350 | 210 | 40 |
150 | 6 | 365 | 265 | 225 | 202 | 3 | 24 | 8-Ф22 | 500* | 450 | 70 |
200 | 8 | 457 | 320 | 280 | 258 | 3 | 24 | 8-Ф22 | 240* | 490 | 110 |
250 | 10 | 533 | 375 | 335 | 312 | 3 | 26 | 12-Ф22 | 240* | 550 | 220 |
300 | 12 | 610 | 440 | 395 | 365 | 3 | 28 | 12-Ф22 | 320* | 600 | 280 |
350 | 14 | 686 | 490 | 445 | 415 | 3 | 30 | 16-Ф22 | 320* | 675 | 410 |
公称通径 | 标准值 | 参考值 | |||||||||
DN | NPS | L | D | D1 | D2 | f | b | N-Фd | Do | H | W(Kg) |
PN1.0(Mpa) | |||||||||||
15 | 1/2 | 140 | 95 | 65 | 45 | 3 | 14 | 4-Ф14 | 120 | 80 | 3 |
20 | 3/4 | 140 | 105 | 75 | 55 | 3 | 16 | 4-Ф14 | 140 | 90 | 4 |
25 | 1 | 150 | 115 | 85 | 65 | 3 | 16 | 4-Ф14 | 160 | 100 | 4.5 |
32 | 11/4 | 165 | 140 | 100 | 75 | 3 | 18 | 4-Ф18 | 160 | 110 | 6.5 |
40 | 11/2 | 180 | 150 | 110 | 85 | 3 | 18 | 4-Ф18 | 200 | 120 | 9.5 |
50 | 2 | 200 | 165 | 125 | 100 | 3 | 20 | 4-Ф18 | 250 | 135 | 10.5 |
65 | 21/2 | 220 | 185 | 145 | 120 | 3 | 20 | 4-Ф18 | 300 | 145 | 15.5 |
80 | 3 | 250 | 200 | 160 | 135 | 3 | 20 | 8-Ф18 | 350 | 180 | 20 |
100 | 4 | 280 | 220 | 180 | 155 | 3 | 22 | 8-Ф18 | 350 | 195 | 28 |
125 | 5 | 320 | 250 | 210 | 185 | 3 | 22 | 8-Ф18 | 350 | 210 | 40 |
150 | 6 | 360 | 285 | 240 | 210 | 3 | 24 | 8-Ф22 | 500* | 450 | 70 |
200 | 8 | 457 | 340 | 295 | 265 | 3 | 24 | 8-Ф22 | 240* | 490 | 110 |
250 | 10 | 533 | 395 | 350 | 320 | 3 | 26 | 12-Ф22 | 240* | 550 | 220 |
300 | 12 | 610 | 445 | 400 | 370 | 3 | 28 | 12-Ф22 | 320* | 600 | 280 |
350 | 14 | 686 | 505 | 460 | 430 | 3 | 30 | 16-Ф22 | 320* | 675 | 410 |
公称通径 | 标准值 | 参考值 | |||||||||
DN | NPS | L | D | D1 | D2 | f | b | N-Фd | Do | H | W(Kg) |
PN1.6(Mpa) | |||||||||||
15 | 1/2 | 140 | 95 | 65 | 45 | 3 | 14 | 4-Ф14 | 120 | 80 | 3 |
20 | 3/4 | 140 | 105 | 75 | 55 | 3 | 16 | 4-Ф14 | 140 | 90 | 4 |
25 | 1 | 150 | 115 | 85 | 65 | 3 | 16 | 4-Ф14 | 160 | 100 | 4.5 |
32 | 11/4 | 165 | 140 | 100 | 75 | 3 | 18 | 4-Ф18 | 160 | 110 | 6.5 |
40 | 11/2 | 180 | 150 | 110 | 85 | 3 | 18 | 4-Ф18 | 200 | 120 | 9.5 |
50 | 2 | 200 | 165 | 125 | 100 | 3 | 20 | 4-Ф18 | 250 | 135 | 10.5 |
65 | 21/2 | 220 | 185 | 145 | 120 | 3 | 20 | 4-Ф18 | 300 | 145 | 15.5 |
80 | 3 | 250 | 200 | 160 | 135 | 3 | 20 | 8-Ф18 | 350 | 180 | 20 |
100 | 4 | 280 | 220 | 180 | 155 | 3 | 22 | 8-Ф18 | 350 | 195 | 28 |
125 | 5 | 320 | 250 | 210 | 185 | 3 | 22 | 8-Ф18 | 350 | 210 | 40 |
150 | 6 | 360 | 285 | 240 | 210 | 3 | 24 | 8-Ф22 | 500* | 450 | 70 |
200 | 8 | 457 | 340 | 295 | 265 | 3 | 26 | 12-Ф22 | 240* | 490 | 110 |
250 | 10 | 533 | 405 | 355 | 320 | 3 | 28 | 12-Ф26 | 240* | 550 | 220 |
300 | 12 | 610 | 460 | 410 | 375 | 3 | 32 | 12-Ф26 | 320* | 600 | 280 |
350 | 14 | 686 | 520 | 470 | 435 | 3 | 35 | 16-Ф26 | 320* | 675 | 410 |