设计标准 | HG/T 3704,GB/T 12237 | API 60 | ||
结构长度 | HG/T 3704,GB/T 12221 | ASMEB16.10 | ||
法兰形式尺寸 | HG/T 20592,GB/T 9119 | ASME B16.5, JIS B2220 | ||
检验与试验 | G8/T 13927,J8/T 9092 | API 598 | ||
公称、压力(MPa) |
| 1.0 | 1.6 | 150Lb |
实验压力(MPa) | 壳体试压 | 1.5 | 1.5 | 1.5 |
高压密封 | 1.1 | 1.1 | 1.1 | |
低压密封 | 0.6 | 0.6 | 0.6 | |
适用温度(℃) | PFA: -30~200FEP -30~150GXPO: -10~80 | |||
适用介质 | 盐酸、硝酸、qing氟酸、Cl2、硫酸、王水等强腐蚀性介质 | |||



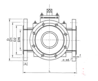
DN | L | D | D1 | D2 | N-d | f | b |
25 | 165 | 115 | 85 | 65 | 4-14 | 2 | 14 |
32 | 180 | 140 | 100 | 78 | 4-18 | 3 | 16 |
40 | 200 | 150 | 110 | 85 | 4-18 | 3 | 16 |
50 | 200 | 165 | 125 | 100 | 4-18 | 3 | 16 |
65 | 240 | 185 | 145 | 120 | 4-18 | 3 | 18 |
80 | 250 | 200 | 160 | 135 | 8-18 | 3 | 20 |
100 | 280 | 220 | 180 | 155 | 8-18 | 3 | 20 |
125 | 360 | 250 | 210 | 185 | 8-18 | 3 | 22 |
150 | 370 | 285 | 240 | 210 | 8-22 | 3 | 22 |
200 | 550 | 340 | 295 | 265 | 12-22 | 4 | 24 |
250 | 670 | 405 | 355 | 320 | 12-26 | 5 | 26 |
300 | 720 | 460 | 410 | 370 | 12-26 | 5 | 28 |